中空旋转平台|重负载旋转平台|高精度减速机|精密减速机|巴普曼

ZH-CN 关闭
查找产品 快速选型
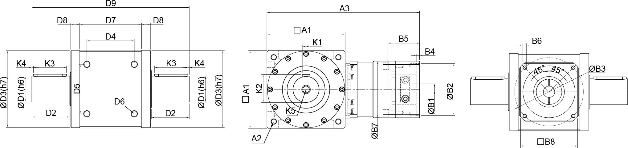
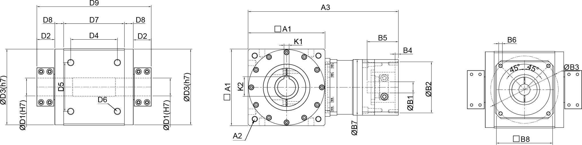
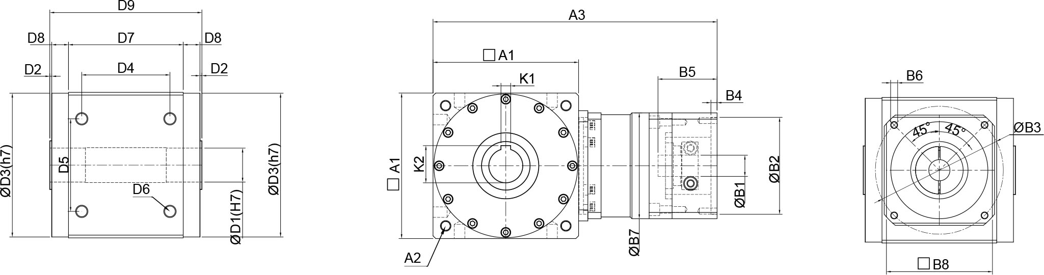
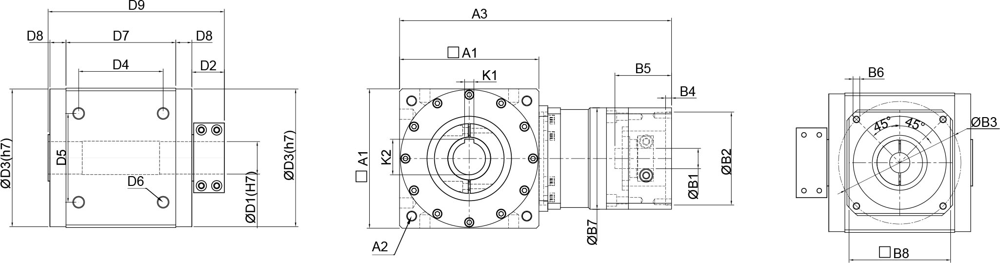
BPTAW125伺服直角行星减速机
BPTAW125伺服直角行星减速机
BPTAW125伺服直角行星减速机
BPTAW125伺服直角行星减速机
BPTAW125伺服直角行星减速机
BPTAW125伺服直角行星减速机
BPTAW125伺服直角行星减速机
BPTAW125伺服直角行星减速机

-   精密伺服直角减速机

BPTAW125伺服直角行星减速机

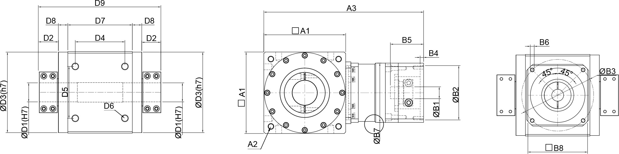
结构尺寸

使用选型工具快速选型

您是否想了解更多?

如需要了解更多CAD数据或3D模型,请直接与我们BUPERMANN联系:

技术参数段数减速比BPTAW045BPTAW070BPTAW085BPTAW105BPTAW125BPTAW150BPTAW180
额定输出扭矩(Nm)L13, 101330351603306501200
4, 52035501603306501200
6///1402805501100
71335351402805001100
8///115230450/
9////230400/
L212,15,40,50, 60, 70
       80, 90, 100
133535115230400900
16, 20, 252035501603306501200
28, 30,35, 491335421402805001100
最大加速转距(Nm)L1,L23-1001.5倍额定输出转矩
瞬间输出转距(Nm)L1,L23-1003倍额定输出转矩
输入转数(rpm)L1,L23-1003000300030003000300020002000
标准背隙P2(arcmin)L13-10≤10≤10≤10≤10≤10≤10≤10
L212-100≤15≤15≤15≤15≤15≤15≤15
标准背隙P1(arcmin)L13-10≤8≤5≤5≤5≤5≤5≤5
L212-100≤10≤8≤8≤8≤8≤8≤8
标准背隙P0(arcmin)L13-10/≤3≤3≤3≤3≤3≤3
L212-100/≤5≤5≤5≤5≤5≤5
输出轴容许径向力(N)L1,L23-100110032503250585091001430019500
输出轴容许轴向力(N)L1,L23-100650162516252925455071509750
工作寿命(Hr)L1,L23-100>20000
满载时有效率(%)L1,L23-10085-90
使用温度(°C)L1,L23-100-10°C ~ +90°C
重量(Kg)L1,L23-1001.5-1.83.2-4.03.2-4.010.5-11.217.0-19.531.0-35.556.5-63.5
噪音值(dB)L1,L23-100≤63≤68≤68≤70≤72≤73≤75
技术参数单位减速比BPTAW045BPTAW070BPTAW085BPTAW105BPTAW125BPTAW150BPTAW180
转动惯量kg.cm230.0420.690.694.526.3513.1538.96
4, 5, 60.0320.560.563.825.2812.6237.68
7, 80.0280.450.453.754.9812.0637.24
9, 100.0270.440.443.724.8711.8836.65
12,15,16,20, 25, 300.0320.560.563.825.2812.6212.62
28, 35, 490.0280.450.453.754.9812.0612.06
40, 50, 60,70, 80, 90, 1000.0270.440.443.724.8711.8811.88

BPTAW-2P

BPTAW-P

BPTAW-CR

BPTAW-C

BPTAW-2C

BPTAW-CK

BPTAW-2CK

欢迎随时联系我们

如果您对我们的产品解决方案有任何疑问,我们的客户支持团队将在第一时间为您提供帮助。我们的专家很乐意为您服务。

请选择您的需求类型
请选择您的行业
请输入您的应用
请输入您的姓名
请输入您的电话
请输入您的电子邮箱
请输入您的需求

更多相关的精密减速机

BPT系列转向器

BPT系列转向器

减速比
1-5
额定扭矩
12-3200 Nm
回程间隙
6 arcmin
输入转数
1700-7500 rpm
径向力
900-18000 N

结构尺寸

查看产品
BPTF系列精密伺服直角减速机

BPTF系列精密伺服直角减速机

减速比
1-500
额定扭矩
12-3200 Nm
回程间隙
6-10 arcmin
输入转数
1700-8000 rpm
径向力
900-18000 N

结构尺寸

查看产品
BPTSW系列精密伺服直角减速机

BPTSW系列精密伺服直角减速机

减速比
6-300
额定扭矩
9.5-2150 Nm
回程间隙
3-10 arcmin
输入转数
2000-4500 rpm
径向力
1100-45000 N

结构尺寸

查看产品

专业:您理想的合作伙伴

我们针对每一种需求,提供正确的选型计算。但是,我们希望您亲自体验:筛选、配置并设计驱动系统,一切皆有可能

减速机快速选型

我们针对每一种需求,提供正确的软件。但是,我们希望您亲自体验:筛选、配置并设计驱动系统,一切皆有可能 —— 只需几下点击.

进一步了解和使用我们的选型工具

3D模型和图纸下载

我们针对每一种需求,提供正确的软件。但是,我们希望您亲自体验:筛选、配置并设计驱动系统,一切皆有可能 —— 只需几下点击.

进一步了解和使用我们的选型工具

您有关于我们减速机的疑问吗?

请与我们联系!